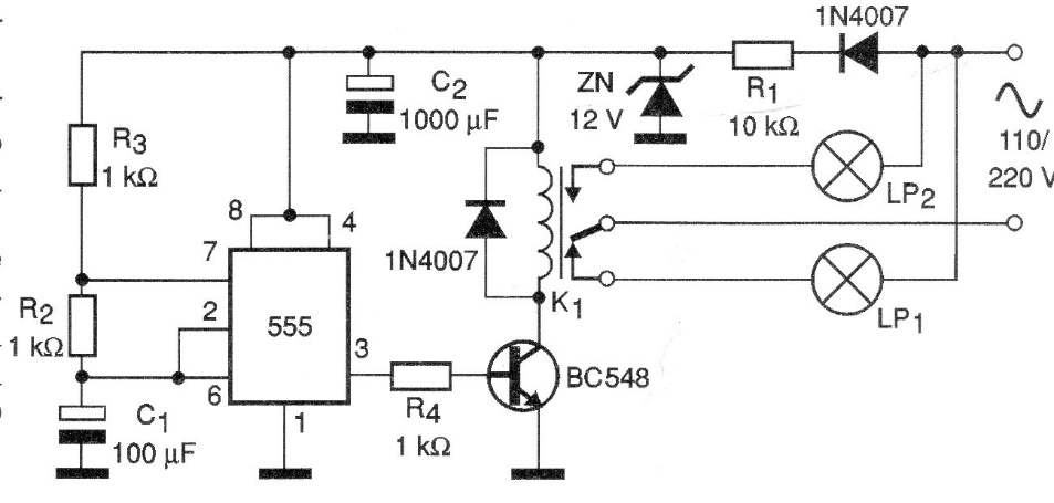
The project presented consists of a flasher alternated with relay, which can be installed at the exit of garages, codomains, or for decoration. The circuit consists of an oscillator mounted around a 555 in the stable configuration. This circuit sends pulses to the base of a transistor that controls a relay. The circuit supply comes directly from the power network through a very simple reducer.




