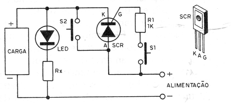
This 1977 circuit is a simple and straightforward application of an SCR, already explored in many articles on this site. The circuit locks when you press S1 for an instant. The circuit can be used with loads from 6 to 12 V, remembering that there is a voltage drop of about 2 V in the SCR.




