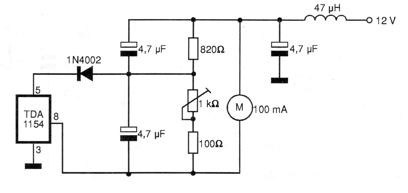
The purpose of this circuit is to keep the speed of a small 100 mA direct current motor constant. The integrated circuit used is not very common today, as the circuit is from 1999, and the speed adjustment is done by a trimpot. The maximum output current of the integrated circuit is 1.2 A, and the maximum voltage is 20 V.




