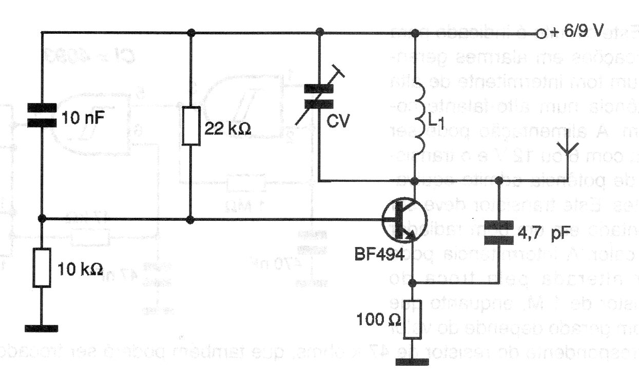
The coil of this analog composite video signal transmitter is formed by 6 or 7 splashes of 26 or 28 wire in the form of 1 cm without core. The video signal is applied to the transistor emitter via a 100 nF capacitor.
The coil of this analog composite video signal transmitter is formed by 6 or 7 splashes of 26 or 28 wire in the form of 1 cm without core. The video signal is applied to the transistor emitter via a 100 nF capacitor.