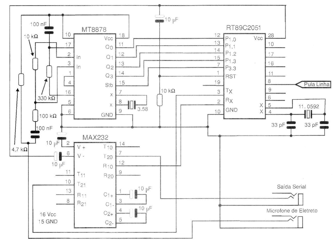
The integrated circuits used in this 1999 project are not very common today. However, they can be used in this application to decode DTMF signals in an interesting shield for PC or even microcontrollers, with some adaptations.
The integrated circuits used in this 1999 project are not very common today. However, they can be used in this application to decode DTMF signals in an interesting shield for PC or even microcontrollers, with some adaptations.