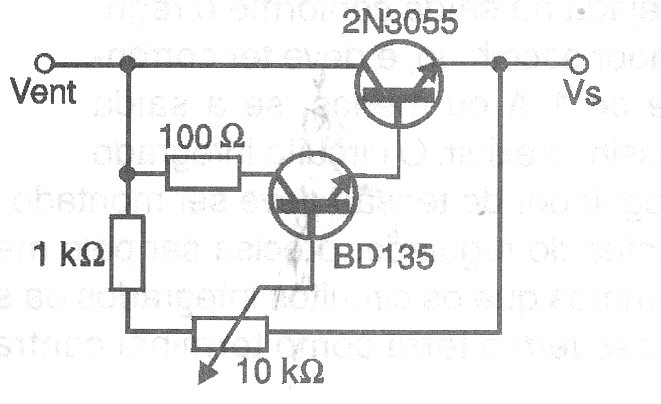
This version of electronic potentiometer or linear control is one of many that can be found on the website. The power transistor must be equipped with a heat radiator and the maximum output current can reach 5 A. The maximum input voltage is in the order of 25 V.




