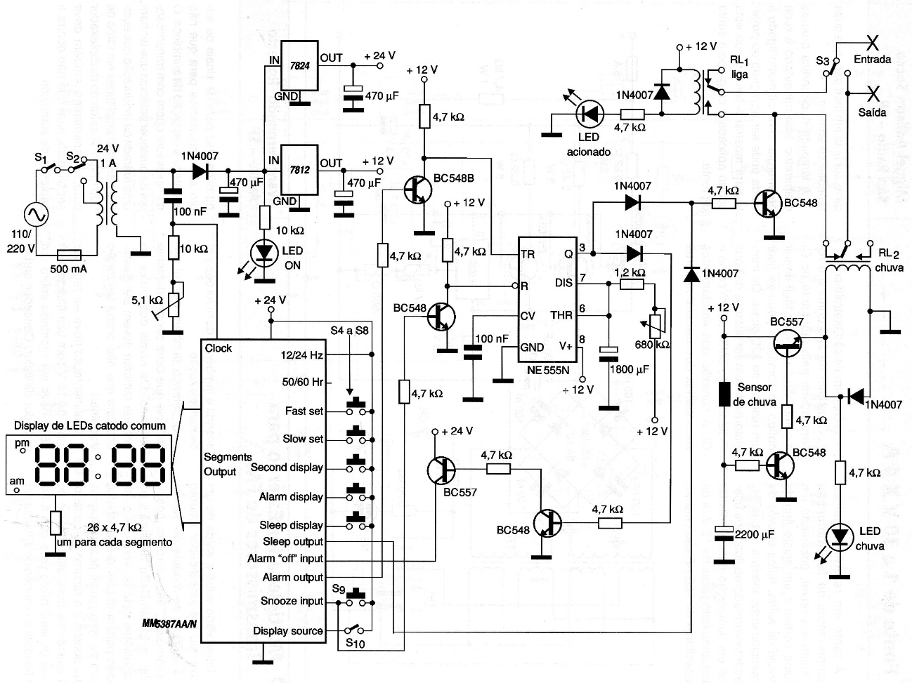
This project uses an unusual integrated circuit that consists of a programmed timer. The circuit was obtained in a 2008 documentation and uses an LED display to indicate the programmed and elapsed times.
This project uses an unusual integrated circuit that consists of a programmed timer. The circuit was obtained in a 2008 documentation and uses an LED display to indicate the programmed and elapsed times.