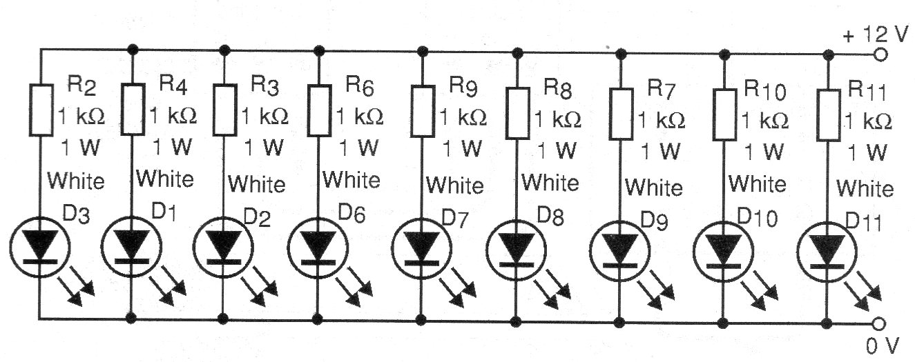
The circuit shown is a low-power LED flashlight. The LEDs are white with a current of 20 mA, and the circuit can be powered with voltages from 6 to 12 V. For lower voltages, reduce the resistors. Total consumption will depend on the number of LEDs used and the supply voltage. Today there are high-power white LEDs, some of them even with built-in resistors. If the reader finds these LEDs in his locality, this project can be greatly simplified. (2009)




