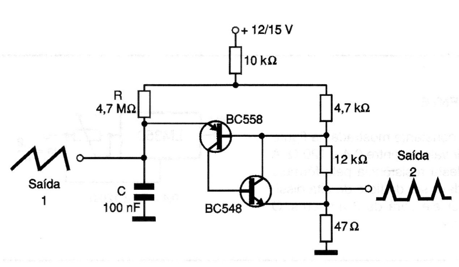
We have already explored this configuration in several of our projects. It is equivalent to a unijunction transistor and can be used in relaxation oscillators up to a few tens of kilohertz. The circuit must be supplied with voltages sources from 9 V.




