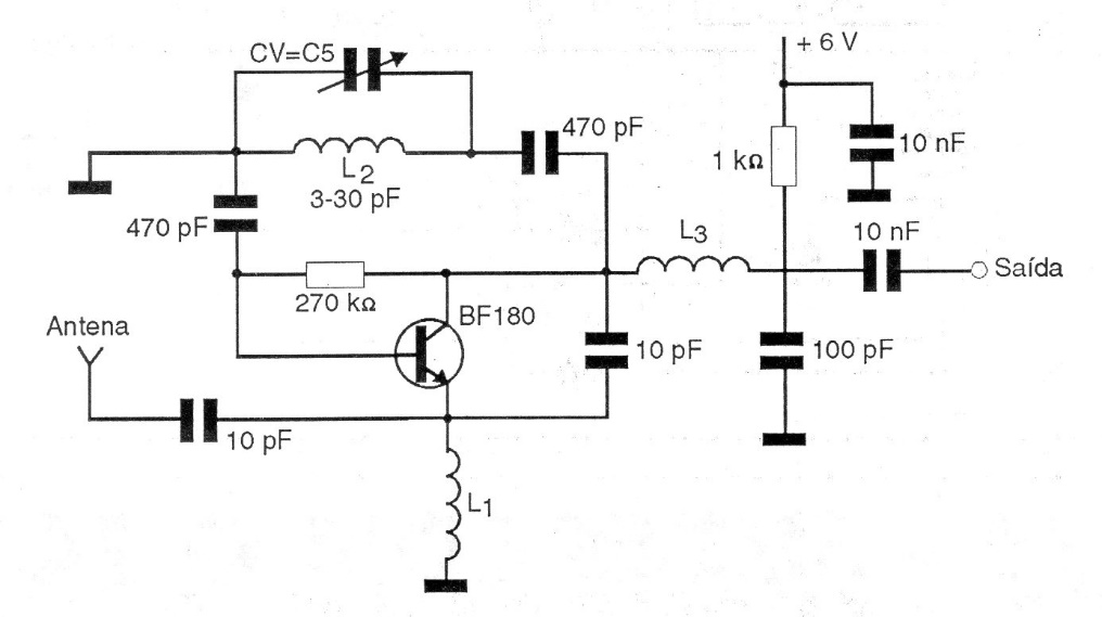
This circuit makes it possible to receive VHF stations on an AM receiver. The output is connected to the receiver's antenna and powered by standard batteries. L1 and L3 are 10 uH micro inductors and L2 formed by 2 to 4 turns of wire 16 with an internal diameter of 1 cm without core.




