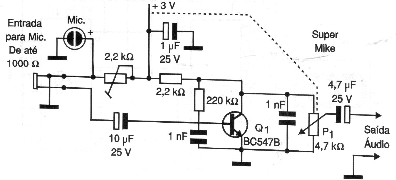
This 2001 circuit is used with transceivers to increase the gain of a microphone and thus obtain better modulation and greater range. The circuit is powered by two batteries and uses a standard electret microphone. The adjustments are for the polarization of the microphone and the strength of the output signal.




