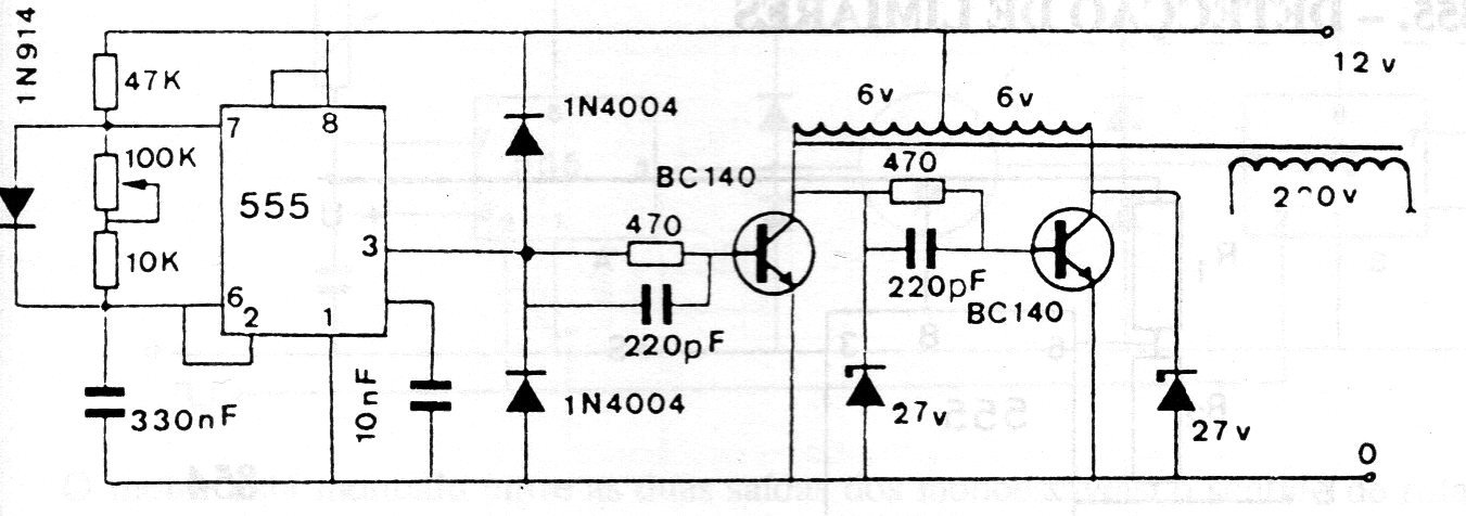
The power of this converter is not the greatest, it can only supply small fluorescent lamps, shavers, etc. The transformer has a primary of 220 V or 110 V and a secondary of 6 + 6 V with a current of around 500 mA. Transistors must be provided with heat sinks. Transistors can be modern equivalents like TIP31.




