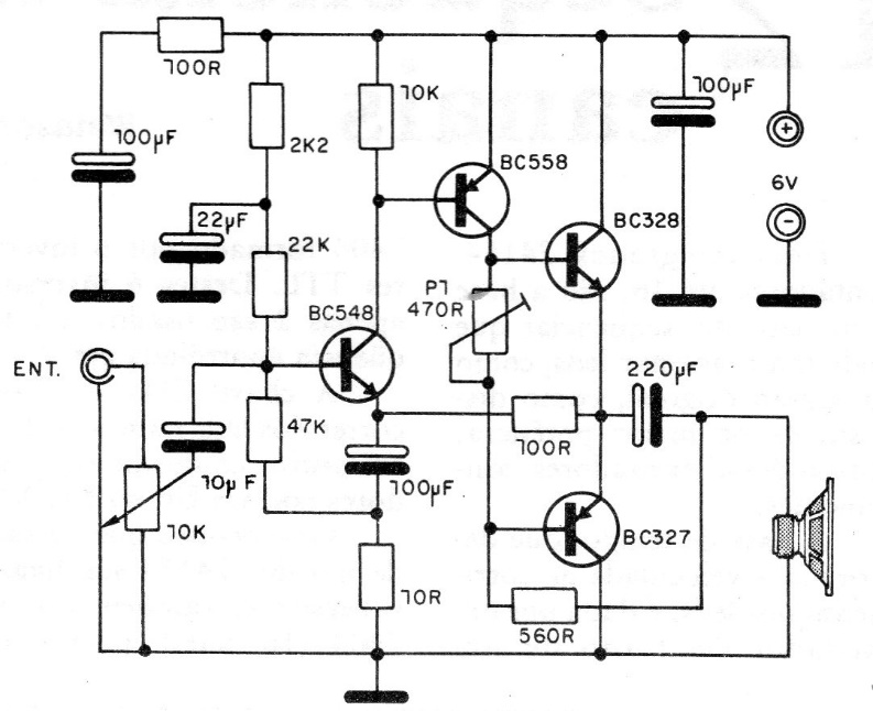
This amplifier uses common transistors and provides a power of 2 watts in a speaker of 4 to 8 ohms. The circuit is powered by 6 V, and the source can be formed by medium or large batteries. The P1 trimpot must be adjusted to a rest current of 40 mA.
This amplifier uses common transistors and provides a power of 2 watts in a speaker of 4 to 8 ohms. The circuit is powered by 6 V, and the source can be formed by medium or large batteries. The P1 trimpot must be adjusted to a rest current of 40 mA.