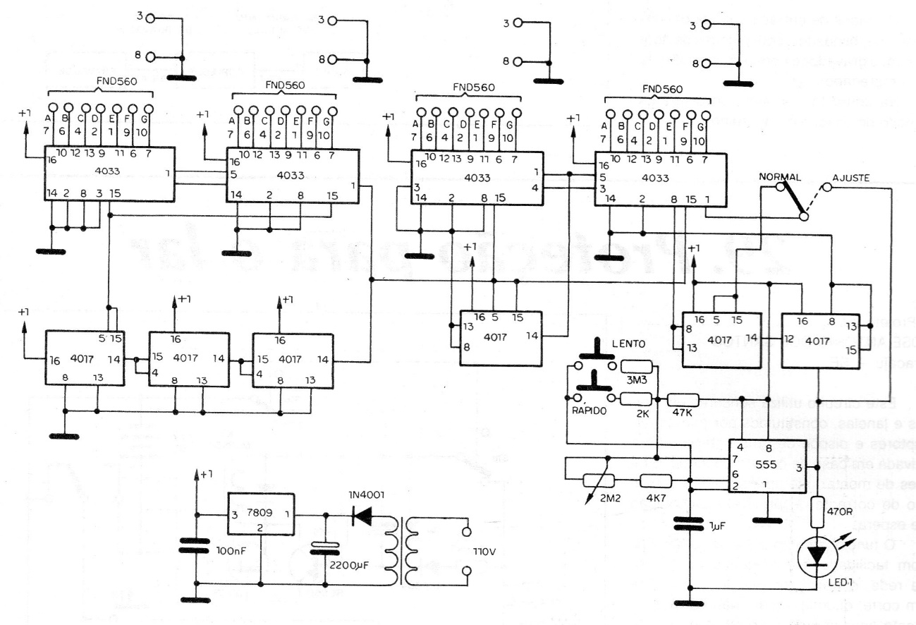
This circuit is from a 1979 publication, using displays of 7 segments of common cathode. The circuit has its precision dependent on the setting of the 555, which should produce a pulse per second. The integrated circuits are CMOS.
This circuit is from a 1979 publication, using displays of 7 segments of common cathode. The circuit has its precision dependent on the setting of the 555, which should produce a pulse per second. The integrated circuits are CMOS.