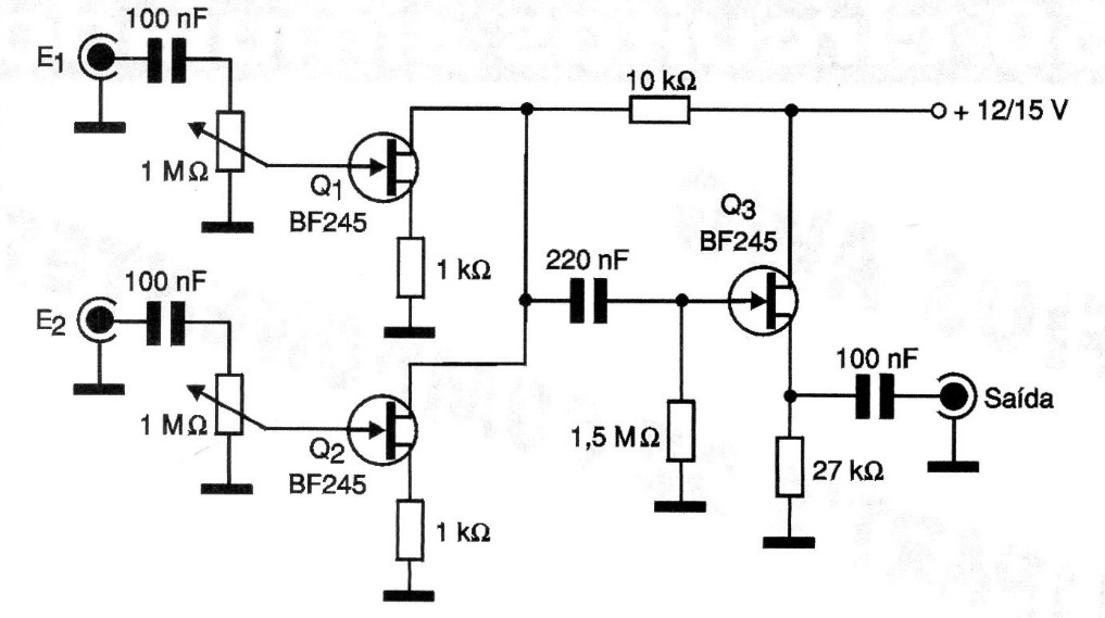
This second mixer version is an improvement on CIR10339 using independent FETs for the inputs. The number of inputs can be increased, and the impedance is very high. Signal input and output cables must be shielded. The drained current is very low.
This second mixer version is an improvement on CIR10339 using independent FETs for the inputs. The number of inputs can be increased, and the impedance is very high. Signal input and output cables must be shielded. The drained current is very low.