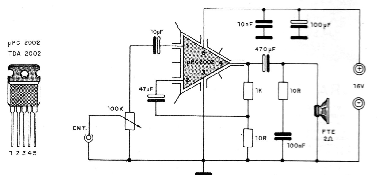
The uPC2002 circuit is equivalent to the TDA2002 in this 1986 circuit. This integrated circuit must have a heat sink and the 12 to 16 V supply must have a current of at least 4 A. The circuit works with loads of 2 to 8 ohms, but with 8 ohms the power is less.




