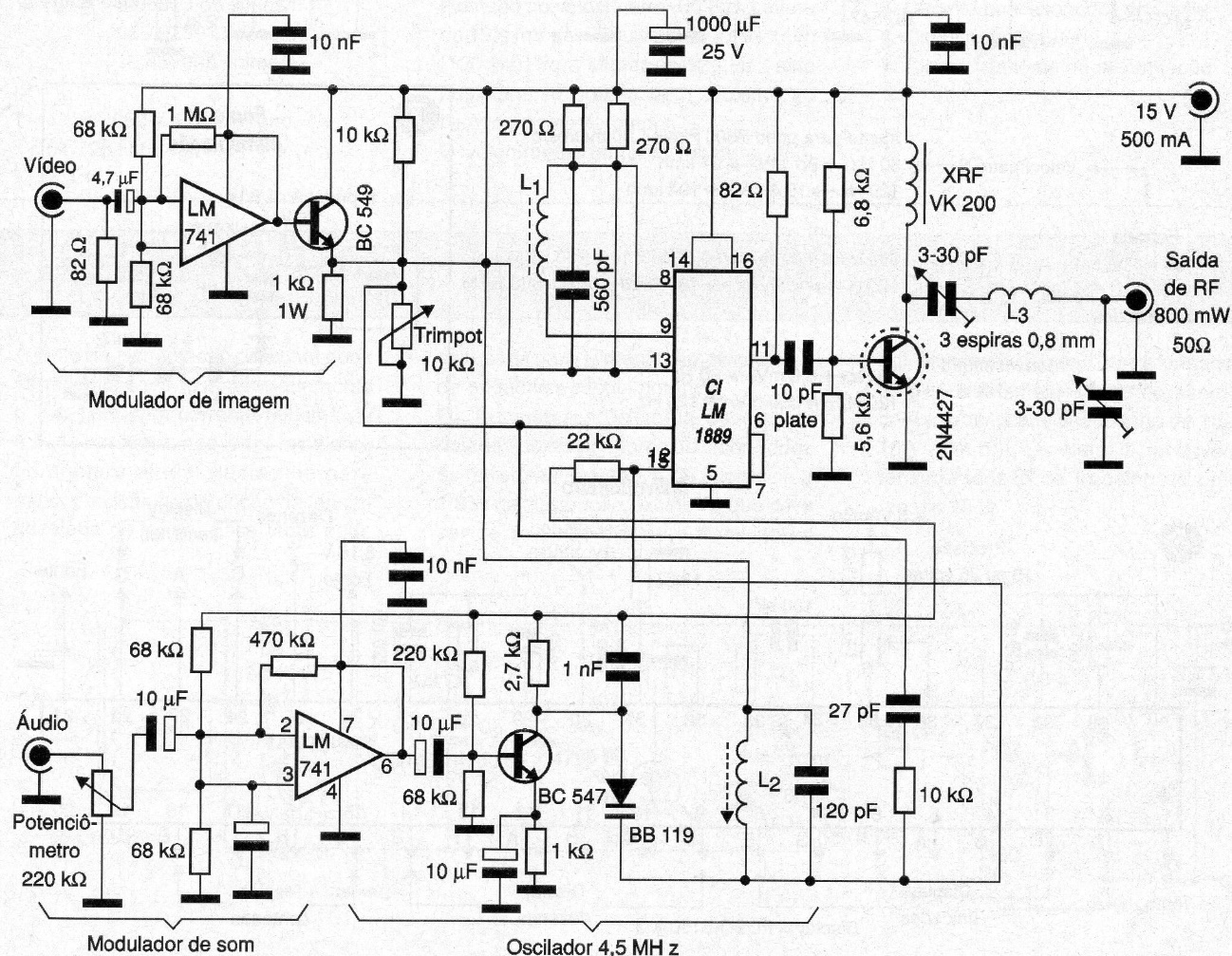
This transmitter outputs signals to the analog TV range operating with composite video signals for analog TV. The range is a few hundred meters and the power transistor must have a heat sink. The 12 V power supply must have excellent filtering so that no noise occurs. The circuit is from 2006 documentation. L1 has 2 to 3 turns of wire 18 to 22 in the form of 0.7 mm with core and L2 has 40 turns of wire 30 in a 5 mm core and L3 has 3 turns of wire 22 in the form of 8 mm.




