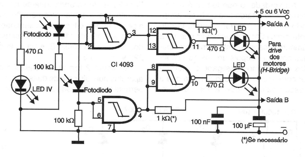
This circuit can serve as a basis for a robot that follows a line on the ground. The circuit has three photodiodes (or phototransistors) as sensors and a logic configuration that can directly feed an H bridge. The line-tracer can be powered with 6 or 12 V depending on the voltage of the powered motors.




