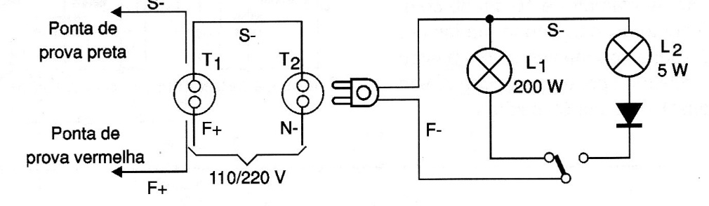
This is the traditional configuration of a standard lamp with a rectifier. Only incandescent lamp can be used and for the rectified version a 5 W lamp.
We found this high gain circuit with the LM381 preamplifier in a Radio Electronics from February 1990....
We can produce pulses controlled through this circuit that can function as a shield if powered by a...
If mounted with SMD components, this transmitter will be so small that it can be installed inside a...