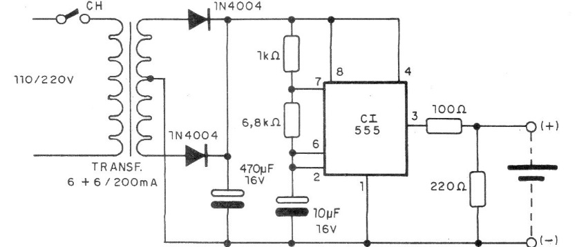
This circuit, in fact, what it does is a reactivation of the batteries through a brief pulsating current. The circuit causes a reactivation of the electrolyte that allows it to function for some time. Note that the circuit does not recharge the batteries, but the reactive one.




