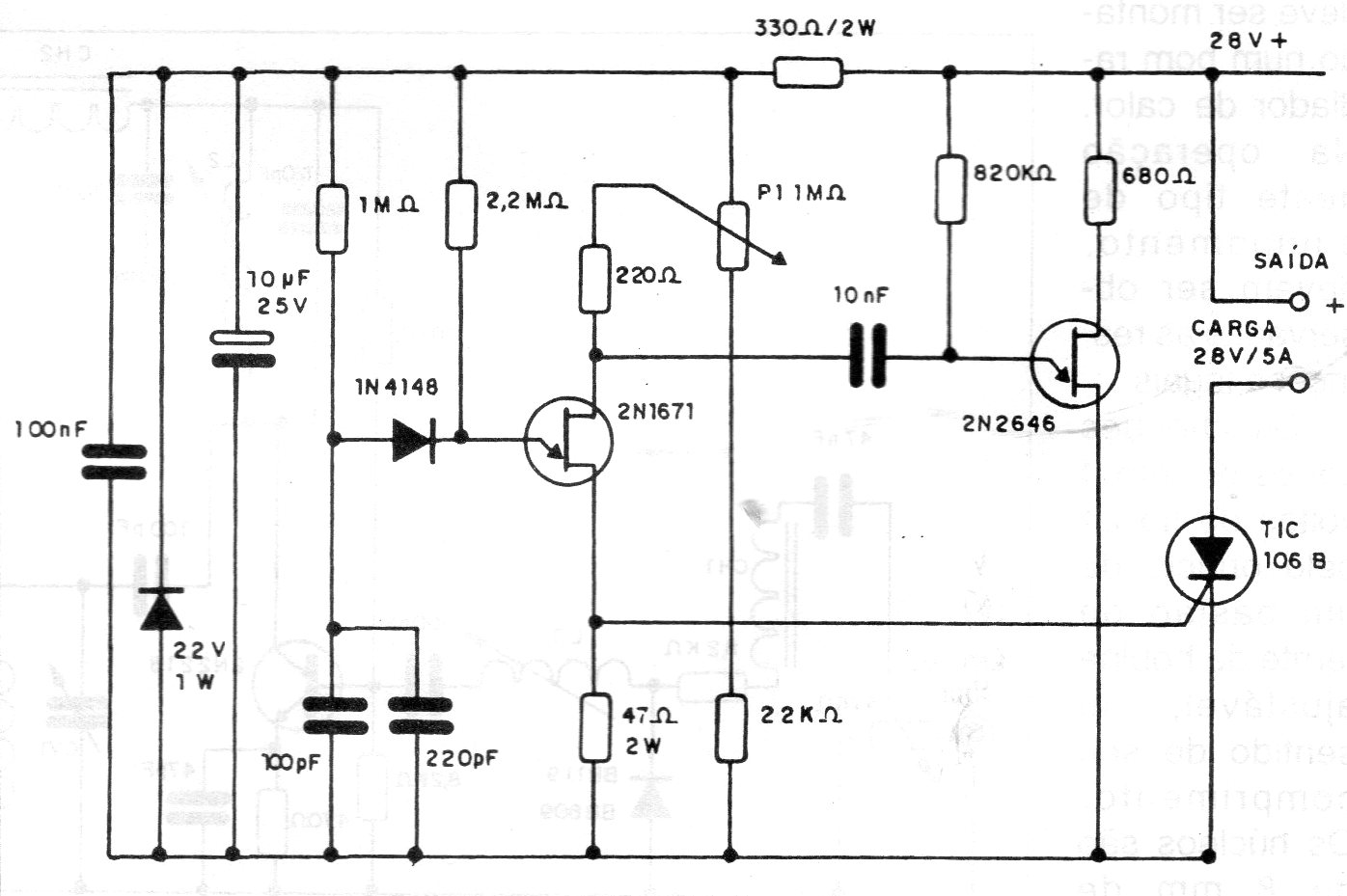
This simple timer based on unijunction and SCR transistors is from 1995 documentation. The maximum timing depends on the electrolytic capacitors and the adjustment made in a trimpot. The circuit can directly trigger a direct current load. The supply must be made with voltage between 24 and 28 V.




