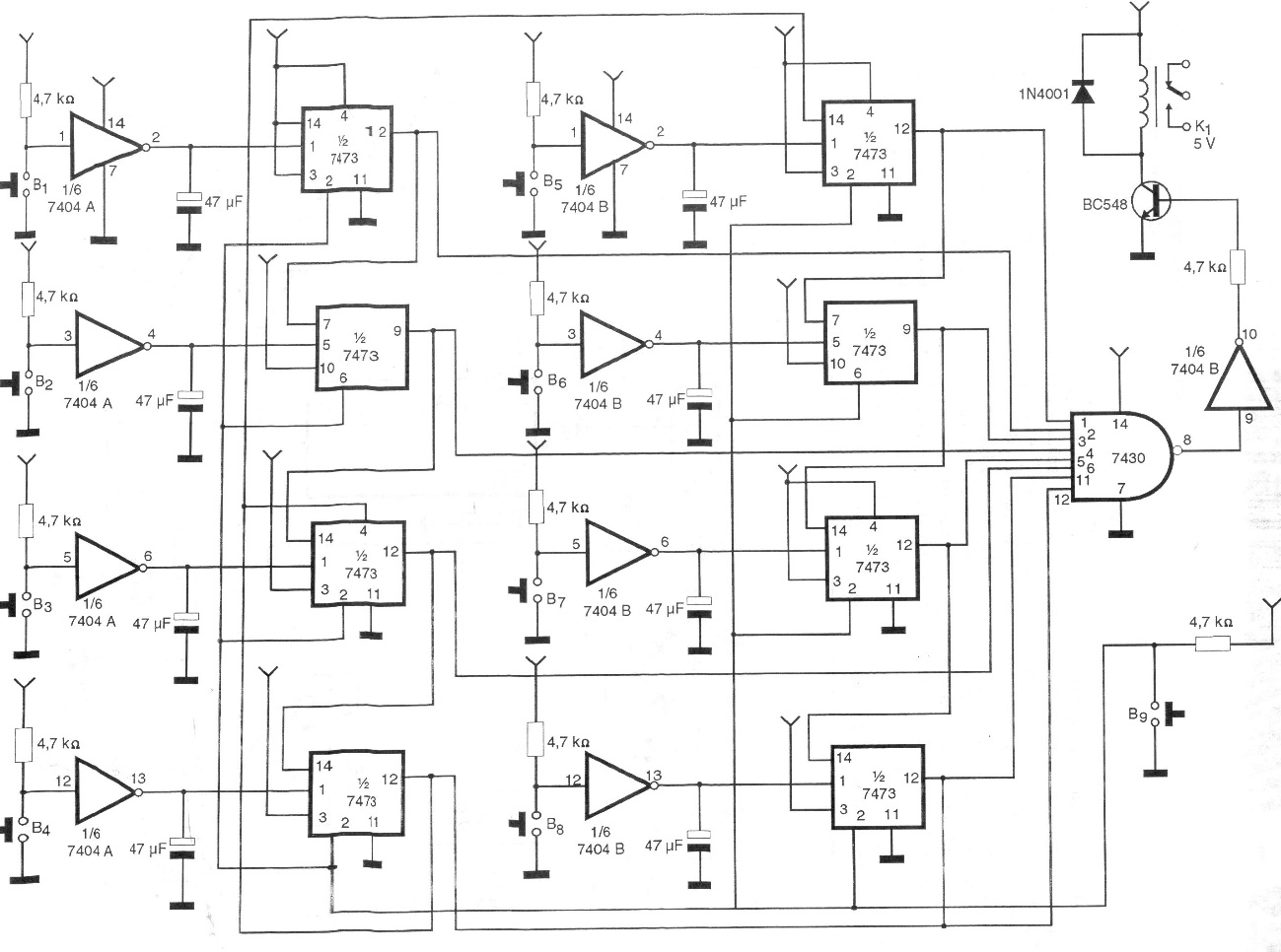
This circuit was found in a 1998 documentation, but it is still viable today, as it uses common TTLs. The circuit must be powered by 5 V, the relay being used for this voltage. The relay is armed only if the correct 8-digit password is placed on the circuit.




