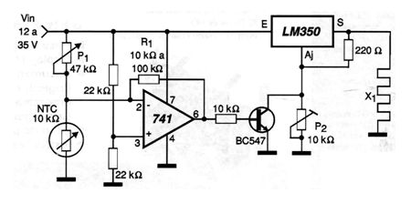
This circuit controls a heating element with voltage from 6 to 30 V and current up to 3 A from sensing done by an NTC. The adjustment of the operating point is made in P1 and the voltage over the heating element is made in P2. The integrated circuit must be mounted on a heat sink.




