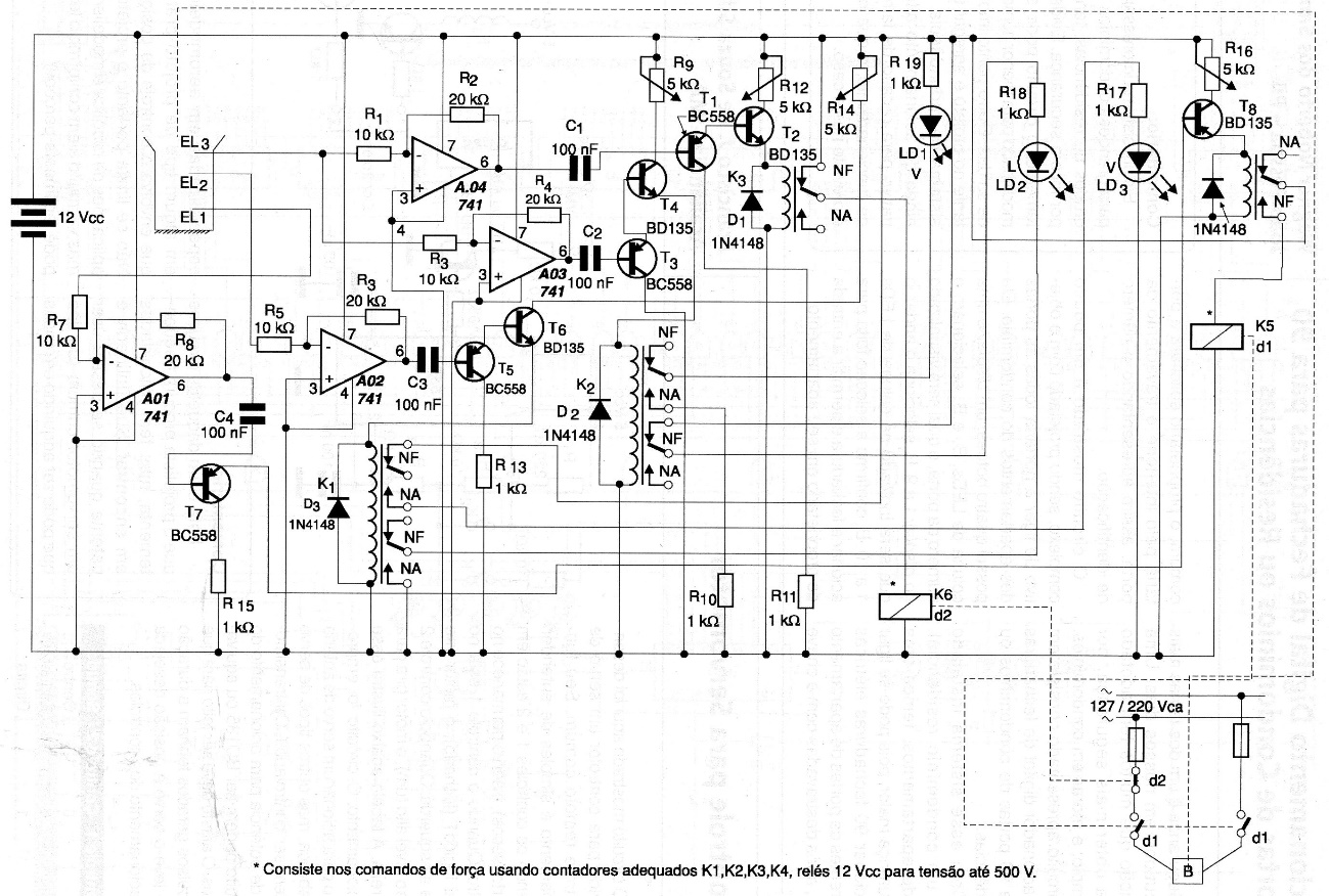
This type of automation is very important because it serves a multitude of applications, ranging from domestic water tanks and small tanks to industrial and agricultural applications. This is due to the possibility of working with different types of conductive liquids. There is also the possibility of adapting the circuit to work with other types of sensors such as a float that has a magnet and in place of electrodes EL1 to EL3 reed-switches are used. Anyway, the circuit is very versatile and very sophisticated due to the number of elements it has.




