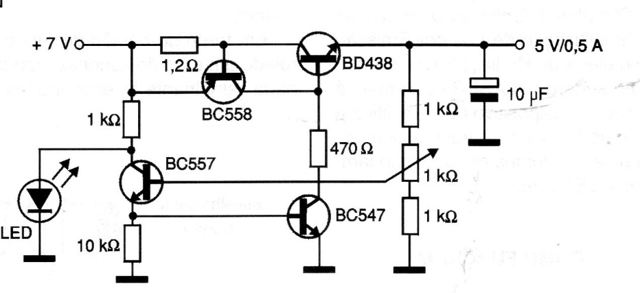
This voltage regulator circuit uses only transistors and can provide a maximum output current of 500 mA. The power transistor must be mounted on a heat sink and the setting voltage is regulated in the 1 k trimpot.
This voltage regulator circuit uses only transistors and can provide a maximum output current of 500 mA. The power transistor must be mounted on a heat sink and the setting voltage is regulated in the 1 k trimpot.