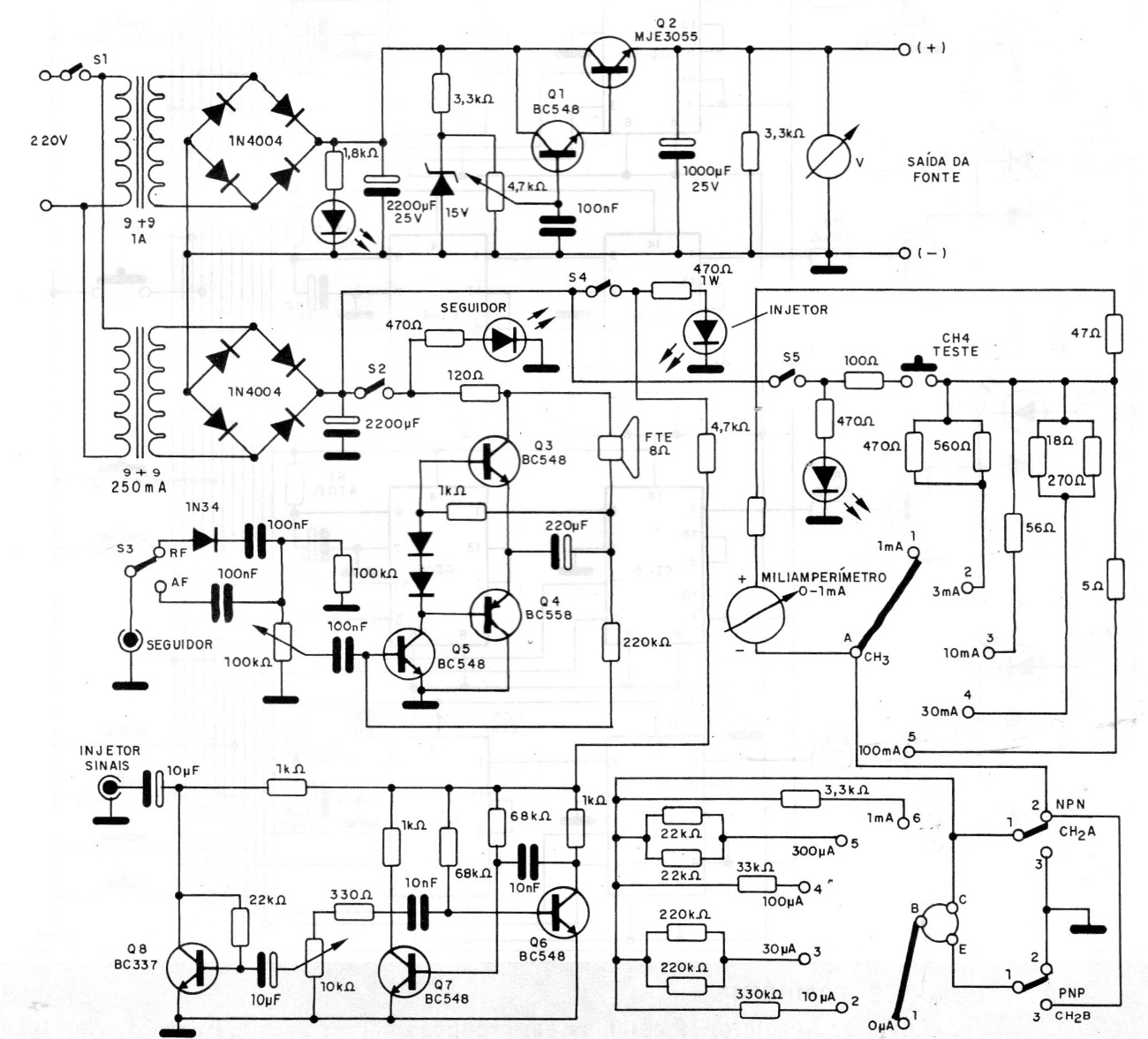
We found this circuit in a 1995 documentation. It includes several important features for a test bench, such as source, signal follower, signal injector and transistor tester. The power source transistor must be mounted on a heatsink. The power supply is adjustable from 0 to 12 V with a maximum output of 1 A.




