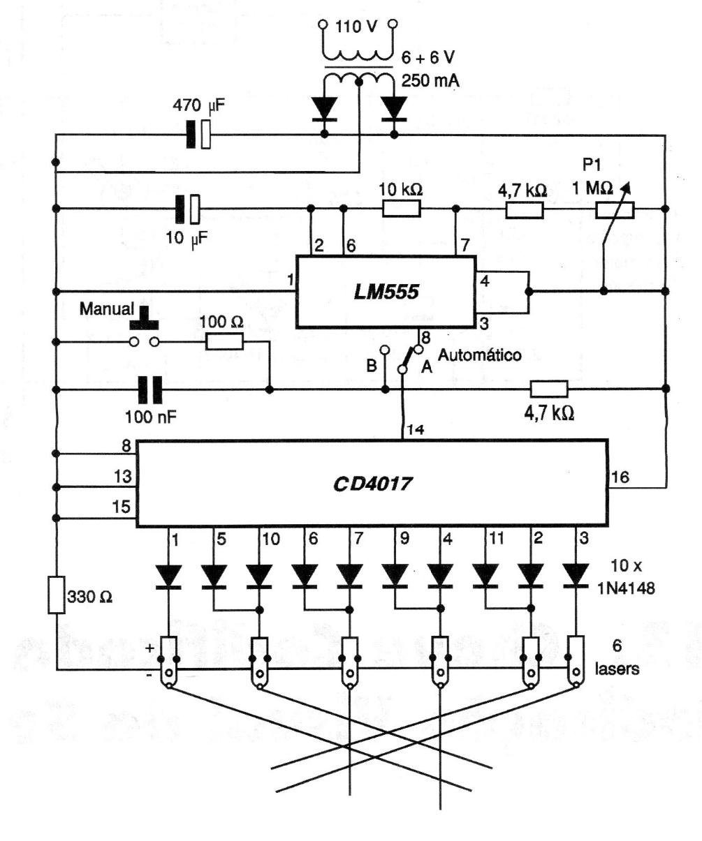
We found this circuit in a 2001 publication. It sequentially drives Laser Pointers at a speed that can be found in P1. The circuit has both manual (pulse) and automatic activation. The circuit includes the power supply.
We found this circuit in a 2001 publication. It sequentially drives Laser Pointers at a speed that can be found in P1. The circuit has both manual (pulse) and automatic activation. The circuit includes the power supply.