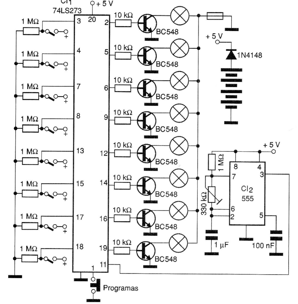
This circuit works with small 5 V incandescent lamps but can be modified to operate with LEDs. The circuit can also be programmed by a microcontroller, thus becoming a shield. The integrated circuit must be powered by 5 V, since it is TTL, but the sector that supplies the lamps can be powered by higher voltage, as we wish to increase the voltage devices.




