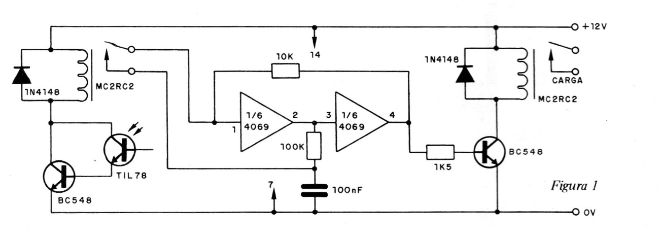
The original 1986 project was designed to turn a television on and off using a light fixture (flashlight). The circuit can also be easily assembled, and the sensor can be any common phototransistor. The relays are 12 V with coil current up to 100 mA.




