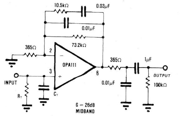
This preamplifier with RIAA equalization was obtained in a documentation from the 1980s. The integrated circuit used is uncommon today and the power supply must be symmetrical. Care should be taken with the shielding of the input and output signal cables.




