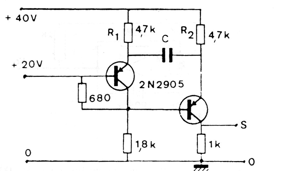
This astable multivibrator has an emitter coupling between the transistors. The circuit is from 80s documentation and the transistors can be the BC548. The period can be calculated by T = 0.69RC. The supply must be made by two voltages, somewhat high for this type of circuit.




