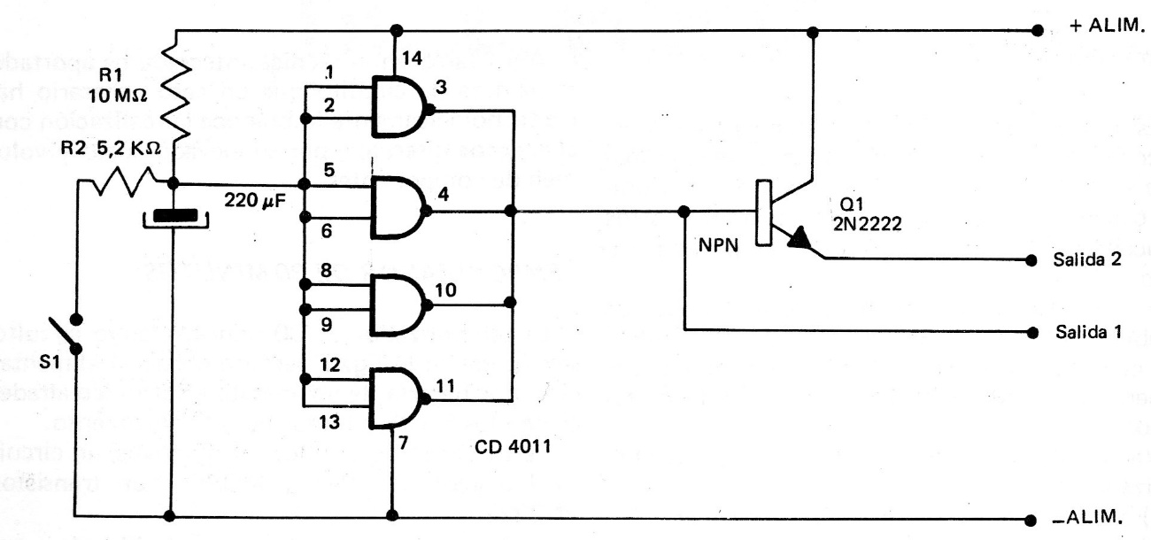
The outputs of this timer or CMOS timer configuration with the 4011 integrated can be connected to load excitation circuits, relays, solenoids, etc. The 4001 can also be used as its ports can also be connected as inverters. The 3 to 12 V power supply depends on the application.




