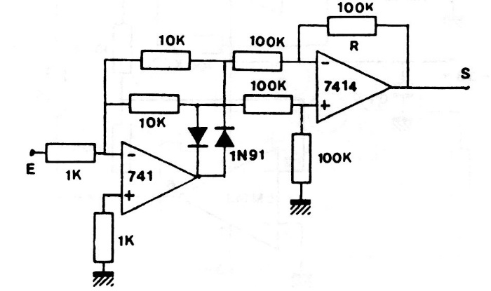
This precision full-wave rectifier used in instrumentation was found in a technical documentation from the 1980s. Diodes are general-purpose types.
This circuit can measure signals in bands that depend on the coil. With a coil of 30 turns in the...
This circuit for testing sources up to 10 A was found in the magazine Radio Electronics Special...
This circuit was found in the National component manual which is not currently simple to obtain....