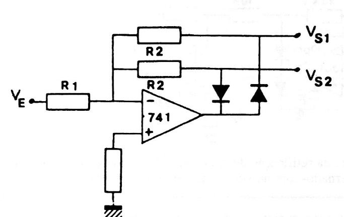
This precision half-wave rectifier circuit using an operational amplifier was found in a 1980s manual. Diodes are commonly used, and equivalent operational amplifiers can be used. The resistor values are calculated according to the voltage to be rectified.




