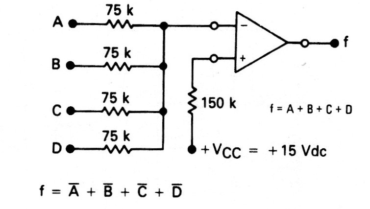
In the figure we have the way to implement a NO OR or NOR gate with an operational amplifier. The number of inputs can be changed.
This shield circuit allows recording of the signal from a serial output on a cassette recorder, with...
This Japanese radio receiver is from the 60s. It has 6 transistors and is powered by 4 batteries with...
The integrated circuit used is a voltage reference from Motorola. This configuration was obtained in...