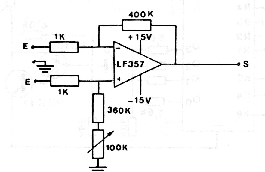
This circuit must be powered by a symmetrical source and depending on the integrated circuit the power can be between 3 and 15 V. The gain is given by the 400k resistor (470k) and the signal symmetry adjusted in the 100 k trimpot. The gain is 52dB.
This circuit must be powered by a symmetrical source and depending on the integrated circuit the power can be between 3 and 15 V. The gain is given by the 400k resistor (470k) and the signal symmetry adjusted in the 100 k trimpot. The gain is 52dB.