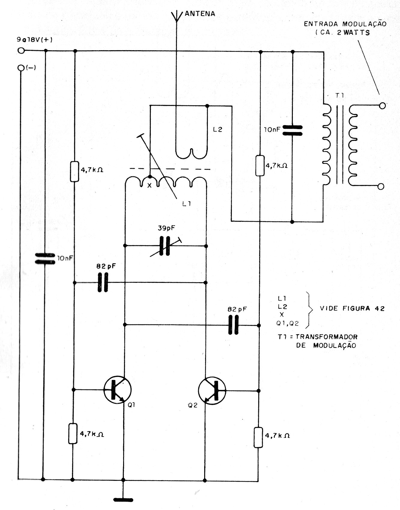
This is the modulated version of the previous 2 W transmitter circuit (CB19449E). The circuit has excellent range, especially if an appropriate antenna is used. Details of the coils can be obtained in the previous circuit.
This is the modulated version of the previous 2 W transmitter circuit (CB19449E). The circuit has excellent range, especially if an appropriate antenna is used. Details of the coils can be obtained in the previous circuit.