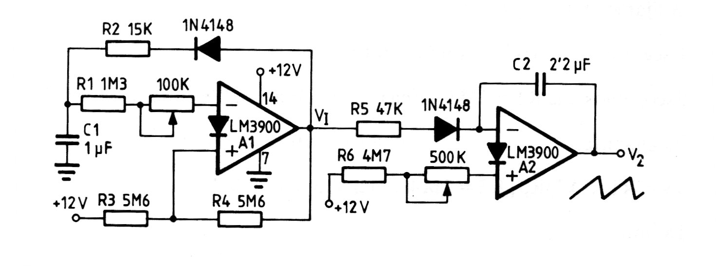
We found this circuit in a publication about operational in the 90s. The circuit is based on the LM3900 transconductance operational amplifier generating a 1.1 V linear ramp. The power supply does not have to be symmetrical and must provide 12 V.
We found this circuit in a publication about operational in the 90s. The circuit is based on the LM3900 transconductance operational amplifier generating a 1.1 V linear ramp. The power supply does not have to be symmetrical and must provide 12 V.