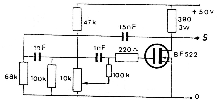
We found this oscillator in a publication from the 1960s. The frequency is around 600 Hz with the components used and any power MOSFET can be used. Observe the high supply voltage. The potentiometer is used to adjust the oscillation point according to the RC phase shift network.




