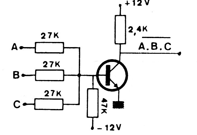
We show in the figure how to implement the No-AND or NAND logic function using a general-purpose transistor. The 47 k base resistors and collector can be changed to other supply voltages.
We found this circuit in the April 1975 Radio Electronics magazine. The circuit has a latch and...
We found this sophisticated home alarm in a 1994 documentation. The circuit supports sensors of...
This circuit was found in the 1991 Electronics Experimenter's Handbook. It activates a relay when...