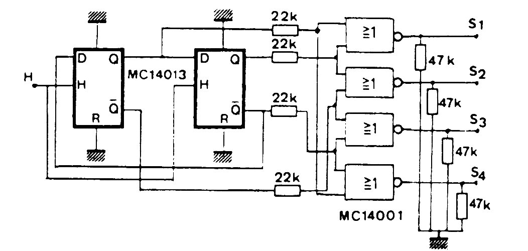
This multi-output oscillator uses CMOS integrated circuits that are uncommon today, but they can be replaced by modern equivalent functions. The power is according to the application and the maximum operating frequency of some megahertz.
This multi-output oscillator uses CMOS integrated circuits that are uncommon today, but they can be replaced by modern equivalent functions. The power is according to the application and the maximum operating frequency of some megahertz.