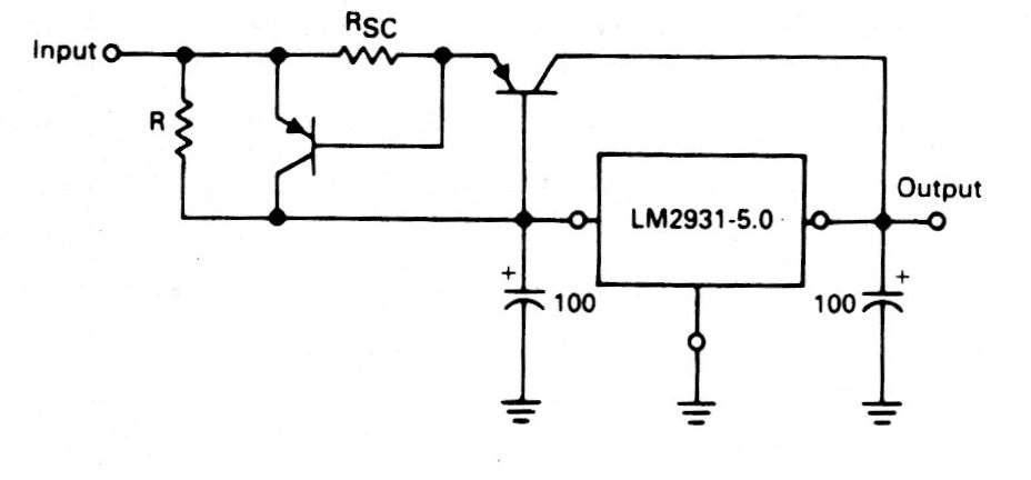
This regulator with current boost and short circuit protection was found in the LM2931 manual that is used in this case. The integrated circuit is not very common today.
Emitt This crystal-controlled oscillator can generate signals from 100 kHz to over 30MHz. The...
This circuit was found in documentation from the 90s. The components used are not common today. The...
This circuit was obtained in the National Semiconductor Linear Applications Handbook of 1994. The...