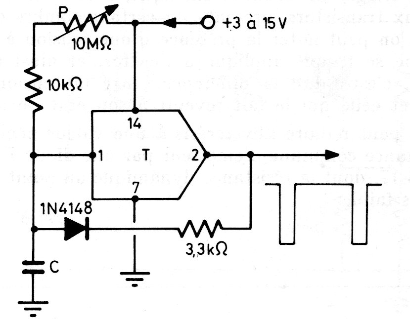
The integrated circuit of this pulse generator is 4093 and the frequency can be between a fraction of hertz and a few megahertz. The working voltage can be between 3 and 15 V and the capacitor that determines the frequency can have values between 470 pF and 100 uF typically.




