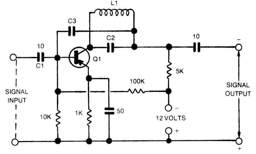
This single-transistor circuit was found in American documentation from the 1980s. The frequency is determined by L1 and C1 and the transistor can be a general purpose PNP. The supply can be done with voltages from 6 to 12 V, depending on the selected transistor.




