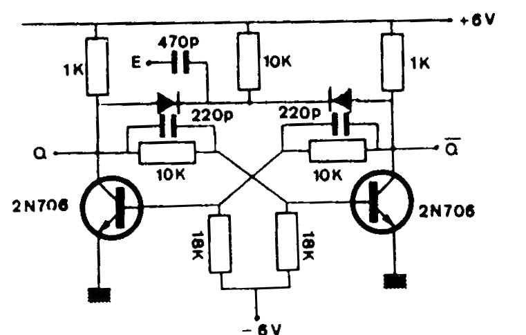
This conventional flip-flop configuration with two transistors was found in documentation from the 1980s. Transistor support equivalents.
This simple circuit with SCR and unijunction transistor appeared in Radio Electronics magazine in July...
The name of the receiver found in a March 1957 Popular Electronics comes from the fact that the...
This circuit was found in a March 1988 Radio Electronics. The voltage scale is set at R3. 19 LEDs...