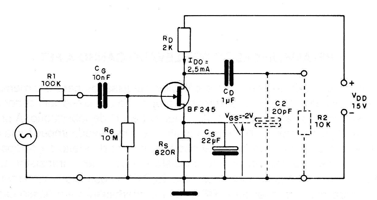
This circuit was obtained in an old European publication on FETs. The FET admits equivalent and the feed must have good filtration. Signal input cables and output cables must be shielded.
The circuit shown is from an old European publication. In it we have the way to activate a relay...
We found this circuit in a European publication from the 1990s. Transistors are still common types...
This circuit was found in an American documentation and can be added to common amplifiers of any...