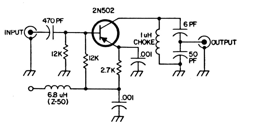
This range corresponds to the lowest TV channels, 2 and 3 specifically in VHF. The circuit is from an old documentation, and an equivalent transistor like the BF494 can be used. The circuit has a pass band of 10 MHz with an output impedance of 50 ohms.




