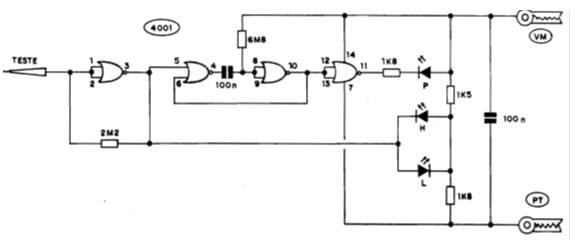
This circuit can work with both TTL and CMOS circuits depending on the power supply. The circuit is powered by the circuit under test and has 3 LEDs of different colors as indicators.

This circuit can work with both TTL and CMOS circuits depending on the power supply. The circuit is powered by the circuit under test and has 3 LEDs of different colors as indicators.
