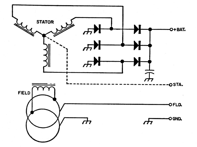
In the figure below we have the typical circuit of an automotive star alternator with the rectifier sector. The diodes depend on the current and the circuit is given as a reference for a Ford vehicle.
We found this circuit in a 1997 documentation. It is a source indicated for powering equipment used in...
In this circuit, from a 1977 publication, we have the traditional version of a filter tuned to 1...
This configuration was found in a 1976 documentation. Note the use of pin 4 input for reset. The...