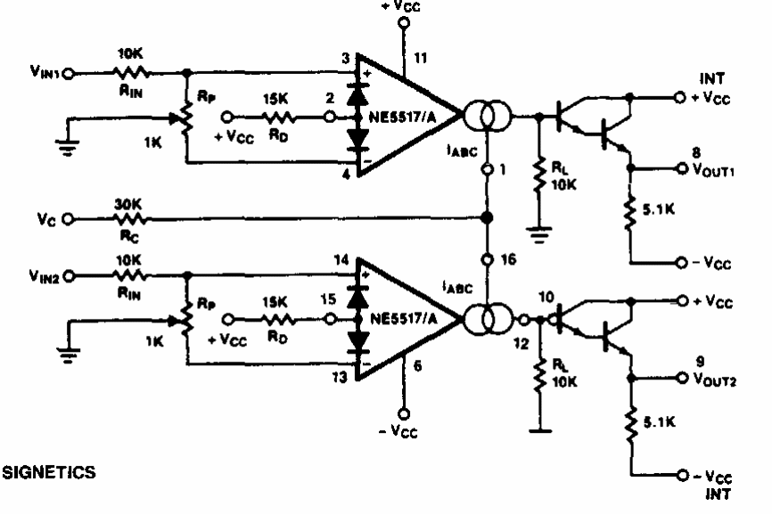
This amplifier with gain control was obtained in a documentation from Signetics of the 80's. Transistors are of power and operational amplifiers are not common nowadays.
This circuit was found in the December 1992 Radio Electronis magazine. R2 is an NTC, there is a...
This passive tuned circuit was found in a 90s Popular Electronics. The coils must be according to the...
This circuit is from 80's Linear Technology documentation. Equivalent operational amplifiers can...